Most Třanovice

2020
FEVIA, s.r.o.
CZ-Třanovice - Nebory
Výrobní dokumentace

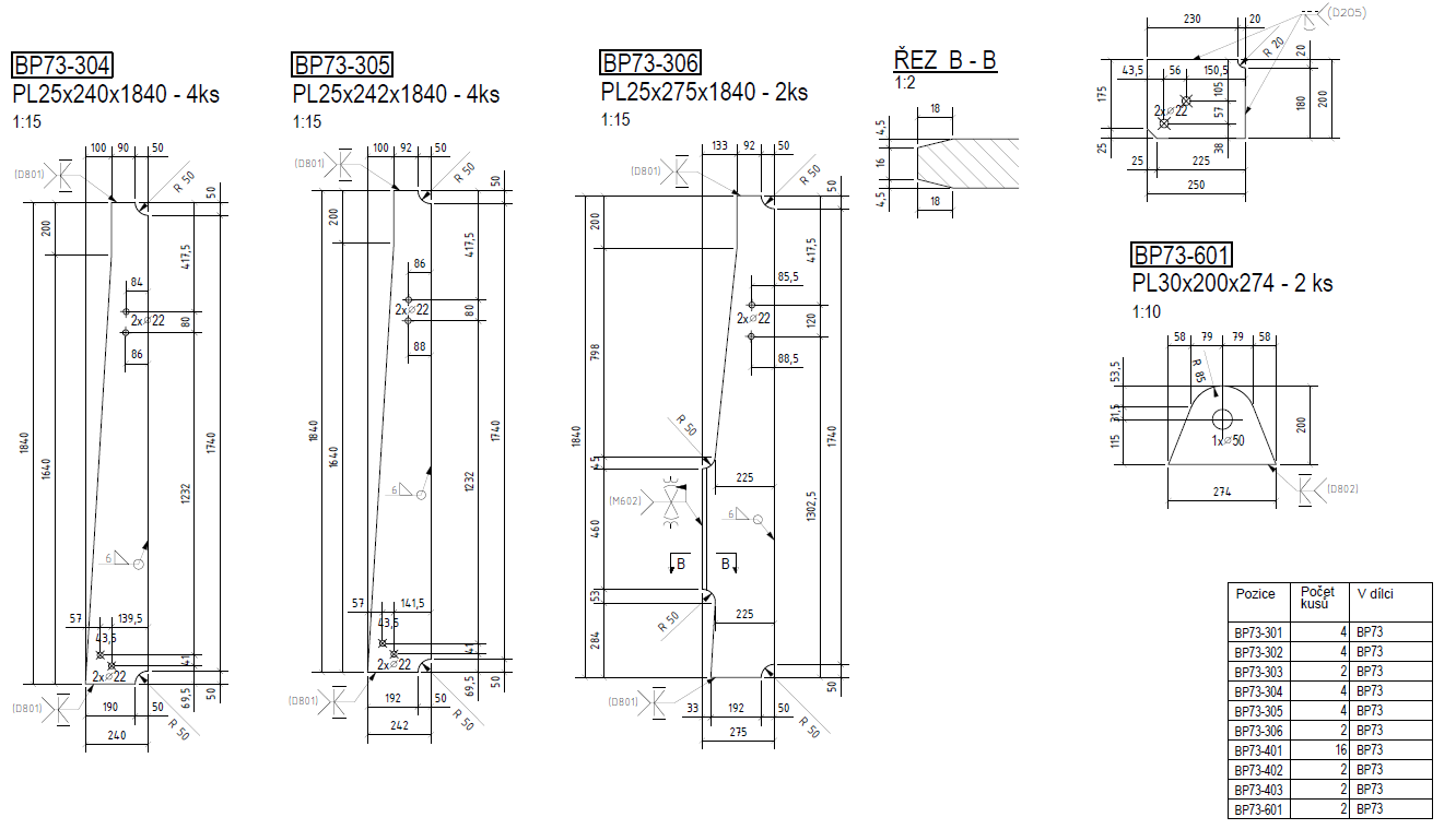
V rámci přípravy nového ocelobetonového dálničního mostu na trase Třanovice – Nebory jsme našimi kapacitami podpořili kolegy ze společnosti Fevia. I přes počáteční zdánlivou nekompatibilitu softwarů jsme pomohli vyprodukovat výrobní dokumentaci na bezmála 180 tun ocelové konstrukce mostu.

Prohlédněte si naše ostatní reference

VÝHODY

Již více než 20 let inovujeme průmysl komplexními řešeními s lidským přístupem.

daniel nedbal

jednatel společnosti

Od roku 2001 přinášíme kvalitu, na kterou se můžete spolehnout.

Realizujeme komplexní projekty od návrhu až po výrobu na klíč.

Jsme experti na inovace, které posouvají vaše podnikání vpřed.

Cookies

Používáme technické cookies, které jsou nezbytné pro správnou funkčnost a zabezpečení našeho webu. Tyto cookies nám pomáhají zajistit plynulý běh a uživatelský komfort při vaší návštěvě. Pokračováním v prohlížení webu souhlasíte s jejich použitím. Další informace o cookies a jak je používáme najdete v našich Prohlášení o používání cookies.