Automation Direct

2016
TGW Logistics GmbH -> Automation Direct, Inc.
USA-Cumming
Studie, Statický a dynamický výpočet, Výrobní a montážní dokumentace

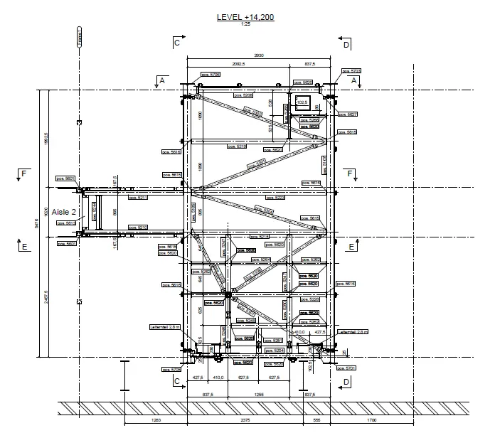
Předmětem řešení byla samostatně stojící věž pro údržbu dopravníků.

Jedná se o rámovou konstrukci o půdorysu 3,3 x 5,7 m a výšce 15,2 m a celkové hmotnosti 19,5 t, hlavní nosnou konstrukci tvoří sloupy HEA 280 a nosníky IPE 270.

Prohlédněte si naše ostatní reference

VÝHODY

Již více než 20 let inovujeme průmysl komplexními řešeními s lidským přístupem.

daniel nedbal

jednatel společnosti

Od roku 2001 přinášíme kvalitu, na kterou se můžete spolehnout.

Realizujeme komplexní projekty od návrhu až po výrobu na klíč.

Jsme experti na inovace, které posouvají vaše podnikání vpřed.

Cookies

Používáme technické cookies, které jsou nezbytné pro správnou funkčnost a zabezpečení našeho webu. Tyto cookies nám pomáhají zajistit plynulý běh a uživatelský komfort při vaší návštěvě. Pokračováním v prohlížení webu souhlasíte s jejich použitím. Další informace o cookies a jak je používáme najdete v našich Prohlášení o používání cookies.